系统:PC
日期:2026-02-01
类别:行业软件
版本:v20231012
中望CAD2022破解版是一款经典好用的在线CAD设计软件,一款能够让每一个用户都能在这里一站式体验国产化的CAD图纸制作,这里有丰富的设计内容,专业的编辑工具,处理图纸更简单。这次本站提供的是中望CAD2022精简破解版资源,基于官方原版制作,精简网络展开功能,移除了CAD以外无相关的功能,让用户可以在这里一心一意处理图纸。
中望CAD2022破解版提供了双重设计界面,用户可以在这里使用AutoCAD的经典界面,也可以使用中望CAD带给你的Ribbon界面,这两个界面都能随意切换,完全看用户习惯啥切换啥。
1、平面摄影功能
新增平面摄影功能,在模型空间中,创建所有三维实体模型的二维轮廓线平面投影图。生成的几何图形以块的形式插入到 UCS 的 XY 平面上,也可以输出到图形文件。通过分解此块进行图形编辑,将可见与隐藏的轮廓线清晰的表达出来,在进行三维模型的技术图解中十分有用。
2、IFC 文件导入功能
新增 IFC 文件导入功能。导入的 IFC 文件以.dwg 格式保存,当重新打开.dwg 文件时,可以正确读取存储的所有 IFC 数据。当前版本支持 IFC2X3、IFC4、IFC4X2 和 IFC4X3 格式的 IFC 文件导入。
3、支持 IFC 实体数据提取和列排序选项
新增提取 IFC 实体数据功能。将原有数据提取功能进一步优化,目前支持 IFC 实体构件的 Ifc_General、Ifc_Details、 Ifc_Properties 三种数据属性进行提取,对数据进行归纳,使图形属性更加直观,直观的数据显示会让用户后期分析工作变得轻松而高效。新增列排序选项,对多个列数据分别进行排序处理。当图形中的数据属性较多较复杂时,可对同类别属性进行列排序,使提取出的数据一目了然,大大提高了可读性和实用性。
4、支持透明度打印
在现有显示透明度功能基础上,新增透明度打印功能。用户在打印图纸时,可以指定视图的打印方式为“打印透明度”。
5、支持视口调整
新增视口调整功能,支持在模型空间中调整、新建或删除视口。通过使用鼠标拖拽视口边界,用户可以快速地对视口大小和数目进行自定义编辑,以提升用户在执行相关任务时的工作效率。
6、支持经典菜单和功能区同时显示
新增经典菜单和功能区同时显示功能。用户可根据使用习惯选择软件界面是显示经典菜单、功能区还是同时显示两者。
7、测量工具整合
新增 MEASUREGEOM 命令,对当前软件的测量工具进行了整合,通过该命令用户可以在图形中获取距离、半径、角度、面积和质量特性等信息。
8、支持创建书签
新增创建书签功能。支持将图纸打印或发布为 PDF 文件时创建书签。完整的书签目录使 PDF 文件的结构更加清晰,在多页 PDF 文件中,自动创建的书签目录可以更方便的查阅文档,快速定位到指定发布图纸的位置。
1、基于官方原版制作,采用BDGroup Install Services 2(2.0.0.19)作为安装引导核心。
2、精简网络展开功能(含安装程序对应选项)。
3、删除安装包内过时的资源文件。
4、去除安装程序左下角的链接。
5、精简许可证管理器、加密锁驱动、更新程序、崩溃上报程序、Visual Studio Code、许可证借用(含开始菜单中对应的快捷方式)。
6、精简软件内的APP+推广(需要全新安装,不支持卸载官方版后重装)。
1.下载数据包后进行解压得到安装程序“ZWCAD_2022_Chs_Win_64bit.exe”,鼠标双击运行进入安装向导,选择安装位置,默认路径为“C:\Program Files\ZWSOFT\ZWCAD 2022”,再勾选我同意相关许可协议,最后点击“立即安装”。

2.软件安装需要一些时间请耐心等待即可。

3.当安装结束后先不要运行软件,点击“完成”退出安装向导,先不要运行软件。

4.随后会自动弹出登录注册界面,这里直接关闭即可;

5.如果程序已经运行就将其关闭,回到你的电脑桌面鼠标右键点击软件的快捷方式选择“属性”-“打开文件所在的文件”。
6.将刚才下载解压数据包中的“crack”文件夹里面的破解补丁复制到软件根目录下;默认路径:C:\Program Files\ZWSOFT\ZWCAD 2022。

7.在跳出的窗口中点击第一项“替换目标中的文件”。

8.如果程序2无法运行或者提示程序缺少dll,请运行数据包中的安装程序,点击“修复”即可。
9.成功进入程序便可开始使用。
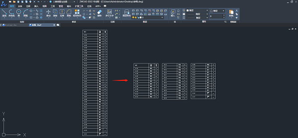
打印不再烦恼:新增表格打断功能
当设计师需要打印一些行数较多的表格时,常常因为表格太长无法打印为一面而烦恼。这时中望CAD 2022新增的表格打断功能就完美解决了这个问题:通过表格打断功能,我们能将长表格拆分为几个小表格,这样被拆分的表格就可以随心放置在适当的打印范围之中并打印为一面。同时在横向排列拆分表格后,也方便在同一水平线上去查找数据,提升设计体验。

计算能力拔升:新增插入公式、自动运算和填充功能
中望CAD 2022还支持表格插入公式功能,目前可以插入求和、均值、相乘(相乘需手动在单元格中输入公式)等多种常用表格公式,加强了计算复杂数据的能力。操作一样贴近Excel,非常简单且熟悉:用户选择单元格后,可通过点击表格工具栏上的公式按钮选择需要插入的公式,或手动输入数值的方式,并将需要计算的数据写入公式中,便可以计算出所需结果。同时含有公式的单元格的底色会自动填充为灰色,方便后续查看或更改公式。

另外,当设计师修改与公式中相关联的数据时,包含公式的单元格会自动重新进行运算,并更新计算结果,无需执行任何手动的操作。

最后,新版还新增了自动填充功能。通过此功能,设计师可以用拖拽夹点的方式完成单元格内容的自动填充。如果单元格的内容为数字时,拖拽夹点往下或往右就会填充递增数值,往上或往左则填充递减数值;如果单元格内容为文字时,拖拽夹点则直接复制单元格中的内容。

上述三种表格操作方式是不是很熟悉?没错!中望CAD的表格功能的操作方式与Excel相近,设计师可以零再学成本,马上上手完成表格内容创建,直接执行一些复杂的表格计算任务,大大提高了设计师的工作效率。
内外数据交互同步:少不了强悍的数据链接功能
在“插入”菜单栏中找到并打开数据链接管理器,点击“创建新的Excel数据链接”,输入链接名称后选择电脑内的一个Excel文件,就基本完成了数据链接的创建。然后通过“TABLE”命令创建表格,在“插入表格”对话框中选中“从数据链接”插入表格,再选择之前创建的数据链接,就实现插入表格与指定的外部表格相关联的操作了。
内外部表格支持双向同步更新。中望CAD内表格数据需要设计师右键单击单元格解锁编辑,后使用“DATALINKUPDATE”命令,即可将修改同步至外部表格数据中;当修改外部表格数据时,电脑界面右下方会自动弹出通知,单击弹窗里的超链接,即可同步自动更新中望CAD内表格数据。

热门推荐
相关应用
实时热词
评分及评论
点击星星用来评分